STMicroelectronics STEVAL-IFP040V1 Expansion Board

STMicroelectronics STEVAL-IFP040V1 Expansion Board is an industrial digital output expansion board based on IPS1025HF in a QFN48L package. The STEVAL-IFP040V1 offers a powerful and flexible environment for the evaluation of the driving and diagnostic capabilities of the IPS1025HF. The IPS1025HF is a single high-side, smart power, solid-state relay in a digital output module connected to 2.5A industrial loads.

The STM STEVAL-IFP040V1 can interface with the microcontroller on the STM32 Nucleo through 5kV optocouplers driven by the GPIO pins and Arduino® UNO R3 connectors. The expansion board allows the connection to either a NUCLEO-F401RE or a NUCLEOG431RB development board. Users can also evaluate a system combining a STEVAL-IFP045V1 stacked on a STEVAL-IFP040V1 expansion board.

Supplying the STEVAL-IFP045V1 via the main supply rail and the STEVALIFP040V1 through the output of the STEVAL-IFP045V1, users can accomplish the typical architecture of a single channel digital output for safety systems. The process stages of the two expansion boards result in a cascaded device. The load connected to the STEVALIFP040V1 production can be delivered only when both cascaded systems work appropriately.

Features

  • Based on the IPS1025HF single high-side switch, which features:
    • Operating range up to 60V
    • Low-power dissipation (RON(MAX) = 25mΩ)
    • Propagation delay at startup < 60µs
    • Fast decay for inductive loads
    • Smart driving of capacitive load
    • Under-voltage lock-out
    • Overload and overtemperature protections
    • QFN48L 8mm x 6mm package
  • 8V to 33V/0A to 2.5A Application board operating range
  • Extended voltage operating range (J3 open) up to 60V
  • Green LED for output on/off status (J11 close 3-4 and SW5 close 1-2)
  • Red LEDs for overload and overheating diagnostics (SW2 and SW4 close 2-3)
  • Output voltage on/off status feedback (J11 close 1-2)
  • Control signal for fast discharge of output voltage (J11 close 5-6, J12 close)
  • External fast discharge circuitry for huge inductive loads (J11 close 7-8)
  • 5kV galvanic isolation
  • Supply rail reverse polarity protection
  • Compatible with STM32 Nucleo development boards
  • Equipped with Arduino® UNO R3 connectors
  • CE certified
  • RoHS and China RoHS compliant
  • Not FCC approved for resale

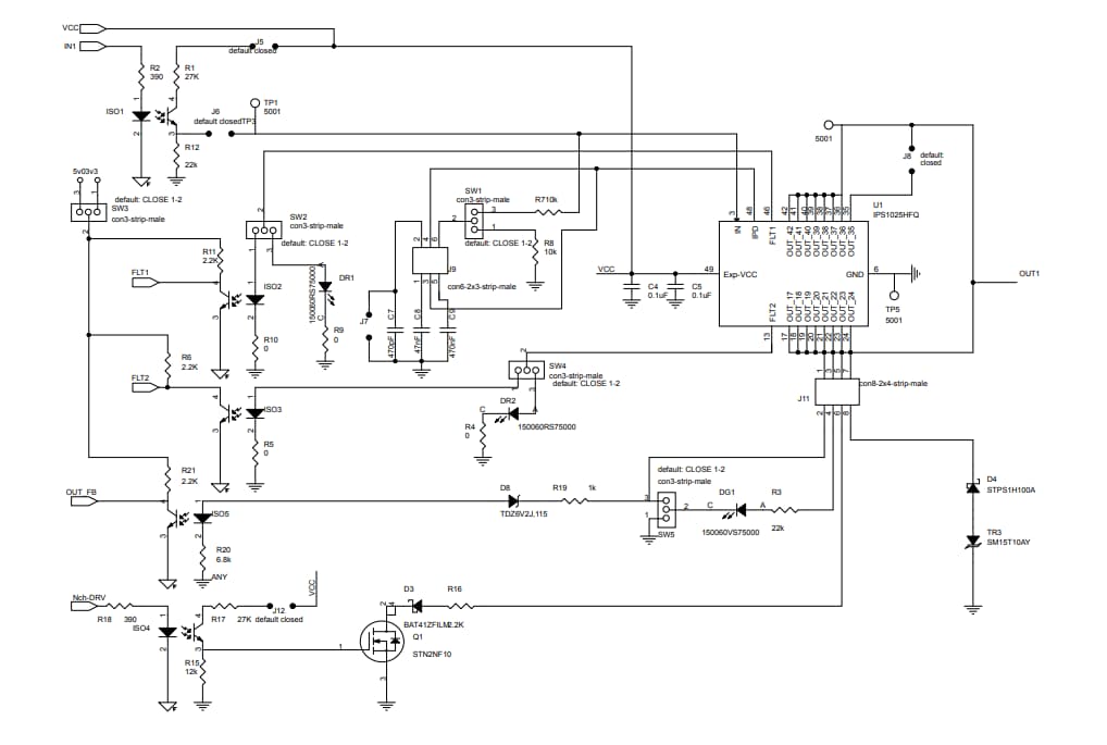
Circuit Schematic

Schematic - STMicroelectronics STEVAL-IFP040V1 Expansion Board
發佈日期: 2022-09-25 | 更新日期: 2022-10-04